Поставки электротехнического
и телекоммуникационного оборудования
(+99871) 267-03-95
(+99871) 267-03-96
Поиск
Карта сайта
Toggle navigation
Главная страница
О компании
Каталог оборудования
Документы
Партнеры
Справочная информация
Контакты
Главная
Каталог оборудования
Изоляторы и линейная арматура
Фарфоровые изоляторы
Изоляторы фарфоровые проходные ИП, ИПУ, ИПТ, ПР, ПРА
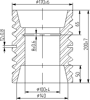
Изоляторы типа ИП 10-100 10 кВ
29
29
Предыдущее изображение
Изоляторы типа ИП 10-100 10 кВ
Следующее изображение
Enlarge this image
Tweet